1. Введение
2. Техническое обслуживание
3. Двигатели
3.0 Двигатели
3.1. Технические данные
3.1.1 Технические данные
3.1.1. Установка поршня 1-го цилиндра в МВТ такта сжатия
3.1.2. Демонтаж и капитальный ремонт
3.2. Дизельный двигатель
3.3. Электрооборудование двигателя
4. Системы охлаждения, отопления
5. Топливная, выхлопная системы
6. Система снижения токсичности
7. Коробки передач
8. Сцепление и полуоси
9. Тормозная система
10. Подвеска и рулевое управление
11. Кузов
12. Электрооборудование
Ссылки на другие сайты
|
Все автомобили »
Toyota Corolla (Тойота Королла)
.
3.1.1.10 Распредвалы и толкатели (двигатели 1,6 и 1,8 л)
3.1.1.10. Распредвалы и толкатели (двигатели 1,6 и 1,8
л)
Последовательность затяжки болтов крышек опорных
шеек распредвала выпускных клапанов (двигатели 1,6 л и 1,8 л)
Последовательность затяжки болтов крышек опорных
шеек распредвала впускных клапанов (двигатели 1,6 л и 1,8 л)
Установочные метки на шестернях распредвала
|
1. Установочные метки
2. Установочные метки (продублированные)
3. Метки ВМТ |
Снятие
| ПОРЯДОК ВЫПОЛНЕНИЯ |
| 1. Снимите крышку головки блока
цилиндров (см. подраздел 3.1.1.3). |
| 2.
Установите поршень 1-го цилиндра в ВМТ такта сжатия (см. подраздел
3.1.1.2). Нанесите капельку краски на метки ВМТ шестерен распредвала
(метки находятся в месте зацепления шестерен, их расположение совпадает
с линией раздела головки цилиндров и крышки головки цилиндров. |
Предупреждение
На шестернях
распредвалов имеется два набора меток. Метки, совпадающие в положении
ВМТ соответствуют только ориентации распредвала в ВМТ, другие метки
используются для правильной ориентации распредвалов при их установке.
|
| 3. Снимите распределитель зажигания
(см. подраздел 3.3.6).Снимите ведомую
шестерню распредвала (см. подраздел
3.1.1.8) и зубчатый ремень (см. подраздел
3.1.1.6). |
 |
4. Измерьте осевой люфт каждого
из распредвалов с помощью индикаторной головки. Установите индикатор
на ноль. Покачайте распредвал с силой в продольном направлении (на
себя и от себя) и определите осевой люфт. Если люфт превышает предельно
допустимый, то распредвал и (или) головка блока цилиндров подлежат
замене. |
 |
5. Поверните распредвалы так, чтобы технологическое
отверстие под вспомогательный болт в шестерне распредвала было расположено
прямо над краем головки цилиндров. В этом положении кулачки соответствующие
первому и третьему цилиндру распредвала впускных клапанов должны под
действием пружин упираться в толкатели с одинаковыми усилиями. |
Предупреждение
Распредвал
надо выставить именно в таком положении, чтобы при снятии распредвала
избежать поломки головки цилиндров или самого распредвала.
|
 |
6. Отверните два болта и снимите
крышку передней опорной шейки распредвала впускных клапанов. |
 |
7. Прикрепите вспомогательную шестерню к
главной шестерне одним из приготовленных болтов М6, ввернув его в
резьбовое отверстие в шестерне. |
| 8. В последовательности, обратной
указанной, (см. рис. Последовательность
затяжки болтов крышек опорных шеек распредвала впускных клапанов (двигатели
1,6 л и 1,8 л)) отверните за несколько приемов болты остальных
крышек опорных шеек распредвала впускных клапанов. Отворачивайте каждый
болт на 1/4 оборота за один прием, до тех пор пока болты не станут
отворачиваться от руки. Снимите крышки, подняв их вертикально вверх.
|
Предупреждение
По мере отпускания
болтов средней крышки убедитесь, что распредвал начинает одинаково
перемещаться в опорах в вертикальном направлении. Если какая-либо
шейка распредвала перестает свободно перемещаться, или распредвал
освобождается с перекосом (что обнаруживается по кулачкам), то повторите
процедуру отворачивания болтов крышек опорных шеек, предварительно
затянув их с заданным моментом в указанной последовательности. Запрещается
извлекать распредвал с применением усилия.
|
| 9. Достаньте распредвал, приподняв
его вверх. |
 |
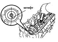
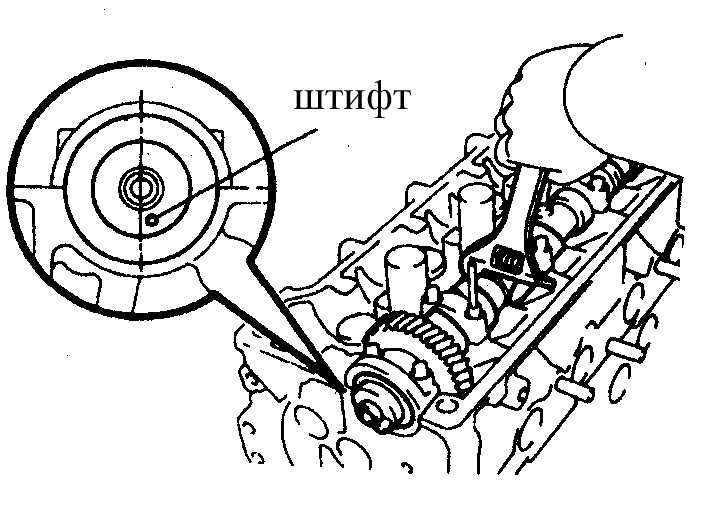
10. Поверните распредвал выпускных клапанов
так, чтобы штифт (указан на рисунке) был обращен примерно на 5 часов. |
| 11. Отверните болты крепления передней
крышки распредвала выпускных клапанов (со стороны зубчатого ремня),
снимите крышку и сальник. |
Предупреждение
Крышка должна
сняться свободно. Если крышка не поддается, то оставьте ее на месте
с отвернутыми болтами.
|
| 12. В последовательности, обратной
указанной, (см. рис. Последовательность
затяжки болтов крышек опорных шеек распредвала впускных клапанов (двигатели
1,6 л и 1,8 л)) отверните за несколько приемов болты остальных
крышек опорных шеек распредвала выпускных клапанов. Отворачивайте
каждый болт на 1/4 оборота за один прием, до тех пор, пока болты не
станут отворачиваться от руки. Снимите крышки, подняв их вертикально
вверх. |
Предупреждение
По мере отпускания
болтов средней крышки убедитесь, что распредвал начинает одинаково
перемещаться в опорах в вертикальном направлении. Если какая-либо
шейка распредвала перестает свободно перемещаться, или распредвал
освобождается с перекосом (что обнаруживается по кулачкам), то повторите
процедуру отворачивания болтов крышек опорных шеек, предварительно
затянув их с заданным моментом в указанной последовательности. Запрещается
извлекать распредвал с применением усилия.
|
| 13. Достаньте распредвал выпускных
клапанов, приподняв его вверх. |
 |
14. Протрите от масла регулировочные шайбы
толкателей, нанесите метки маркером и снимите толкатели вместе с регулировочными
шайбами. |
|
15. Храните крышки опорных шеек, толкатели
и шайбы в том порядке, в котором эти детали были установлены, не допуская
их перемешивания. |
| 16. Зажмите распредвал впускных
клапанов за шестигранную шейку в тиски с мягкими губками. |
 |
17. Ключом с двумя упорными штифтами поверните
вспомогательную шестерню по часовой стрелке, затем отверните вспомогательный
болт, крепящий главную и вспомогательную шестерню, и осторожно ослабляйте
усилие, давая возможность вспомогательной шестерне поворачиваться
против часовой стрелки до полного освобождения пружины. |
 |
18. Извлеките стопорное кольцо вспомогательной
шестерни, действуя специальными пассатижами. |
 |
19. Теперь можно снять пружинную шайбу (1),
вспомогательную шестерню (2) и пружину вспомогательной шестерни (3).
|
|
Проверка состояния
| ПОРЯДОК ВЫПОЛНЕНИЯ |
| Выполните указания, изложенные в подразделе
3.1.1.9. |
|
Установка
| ПОРЯДОК ВЫПОЛНЕНИЯ |
| 1. Установите толкатели выпускных
клапанов на прежние места, предварительно смазав толкатели смазкой
на основе дисульфида молибдена ли сборочной смазкой, отверстия в головке
цилиндров. Убедитесь в сохранности регулировочных прокладок на толкателях.
|
| 2. Смажьте опорные шейки и кулачки
распредвала выпускных клапанов смазкой на основе дисульфида молибдена,
или сборочной смазкой. |
|
3. Уложите распредвал
выпускных клапанов в головку цилиндров так, чтобы штифт был обращен
примерно на 5 часов. |
| 4. Нанесите тонкий слой герметика
типа RTV на контактную поверхность передней крышки распредвала выпускных
клапанов с головкой цилиндров. |
Предупреждение
Крышка должна
устанавливаться сразу же после нанесения герметика, до его затвердевания.
|
| 5. Установите крышки распредвала
выпускных клапанов на прежние места, соблюдая нумерацию и ориентацию
стрелок, которые должны быть направлены в сторону зубчатого ремня.
|
| 6. Равномерно, в несколько
приемов и соблюдая последовательность, затяните болты крепления крышек
с моментом, указанным в подразделе
3.1.1.1). Заворачивать болты на 1/4 оборота за один прием. |
| 7. Установите новый сальник распредвала,
руководствуясь описанием в подразделе
3.1.1.8. |
| 8. Соберите распредвал впускных
клапанов с пружинами и вспомогательной шестерней. |
 |
|
| 9. Установите пружинную шайбу (1),
вспомогательную шестерню (2) и пружину вспомогательной шестерни (3)
(фото слева), закрепите все детали стопорным кольцом (фото справа).
|
| 10. Руководствуясь п.
7, заверните вспомогательный болт. |
| 11. Установите толкатели выпускных
клапанов на прежние места, предварительно смазав толкатели смазкой
на основе дисульфида молибдена ли сборочной смазкой. Убедитесь в сохранности
регулировочных прокладок на толкателях. |
| 12. Смажьте опорные шейки и кулачки
распредвала впускных клапанов смазкой на основе дисульфида молибдена,
или сборочной смазкой. |
 |
13. Сориентируйте распредвал выпускных клапанов
так, чтобы штифт был расположен между направлениями на 9 и 10 часов. |
| 14. Сориентируйте распредвалы впускных
и выпускных клапанов, совместив установочные метки на их шестернях
(см. рис. Установочные метки на
шестернях распредвала). |
Предупреждение
На некоторых
двигателях имеется два набора меток. Помеченные краской метки ВМТ
(см. п. 2) не использовать. Установочные
метки отличаются тем, что продублированы с наружной и внутренней
стороны шестерен распредвалов.
|
| 15. Проверните шестерню впускного
распредвала по шестерне выпускного до установки выпускного распредвала
в проточки под опорные шейки головке цилиндров, при этом слегка покачивайте
шестерню выпускного распредвала на одинаковый угол в обоих направлениях.
|
| 16. Установите крышки распредвала
впускных клапанов на прежние места, соблюдая нумерацию крышек и ориентацию
стрелок, которые должны быть направлены в сторону зубчатого ремня.
|
| 17. Равномерно, в несколько приемов
и соблюдая последовательность, затяните болты крепления крышек с моментом,
указанным в подразделе 3.1.1.1).
Заворачивать болты на 1/4 оборота за один прием.
|
| 18. Выверните вспомогательный болт
из шестерни распредвала впускных клапанов. |
| 19. Установите на распредвал выпускных
клапанов ведомую шестерню и затяните болт шестерни с моментом, указанным
в подразделе 3.1.1.1). При затяжке
болта удерживайте распредвал ключом за шестигранную шейку. |
| 20. Установите зубчатый ремень (см.
подраздел 3.1.1.6). |
| 21. Остальные операции по установке
выполняются в обратном порядке. |
|
|
|